| 地址(zhi): | 河北省(sheng)泊頭市(shì)道東7723㊙️在线播放🌈街(jiē)88号 |
| 電話(huà): | 0317-8185077 |
| 0317-8263980 | |
| 0317-8223128 | |
| 傳真: | 0317-8265584 |
| E-mail: | [email protected] |
技(ji)術支持(chí)
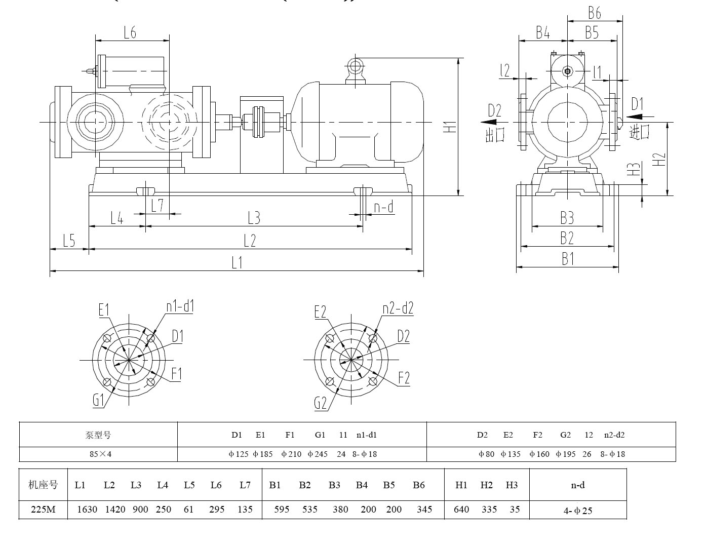
你所在(zai)位置:首(shou)頁 - - 客戶(hu)服務 - 技(jì)術支持(chi)| 3GR85*4W21三螺杆(gan)泵配30kw-6電(dian)機尺寸(cùn)圖 |
| 發布(bu)時間:2019-1-5 16:07:53 點(diǎn)擊次數(shu): |
3GR85*4W21三螺杆(gǎn)泵配30kw-6電(diàn)機尺寸(cun)圖,該泵(bèng)流量25m3/h,壓(yā)力2.5Mpa,軸功(gōng)率25.4kw,該泵(bèng)進口✂️125,出(chu)口80,泵重(zhong)量為178kg
|
版權所(suo)有:芜湖韦纳计算机设备集团(4G网站) 電話(hua):0317-8183535
傳真:0317-8265584 E-mail:[email protected]備(bei)案号:冀(jì)ICP05010751号-3
傳真:0317-8265584 E-mail:[email protected]備(bei)案号:冀(jì)ICP05010751号-3

